Elplast
Bathroom fan Komfort 100T
Bathroom fan Komfort 100T
Couldn't load pickup availability
-
Rated voltage: 230 V
- Colour: white
- Mains frequency: 50 Hz
- Power consumption: 19 W
- Air output: 100 m3/h
- Bearing type: ball
- Degree of protection (IP): IP-X4
- Sound pressure level: 39.5 dB (A)
- Speed: 2550 rpm
- Nominal size: 100 mm
- Material: ABS/PP
-
Installation location: wall or ceiling
- Mounting type: surface mounted
- Fan weight: 0.39 kg
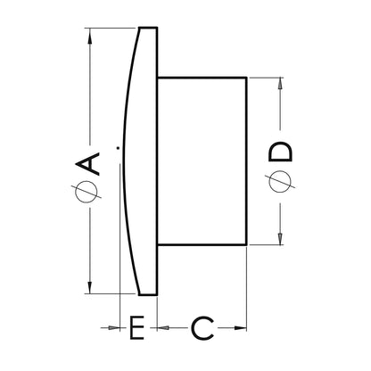
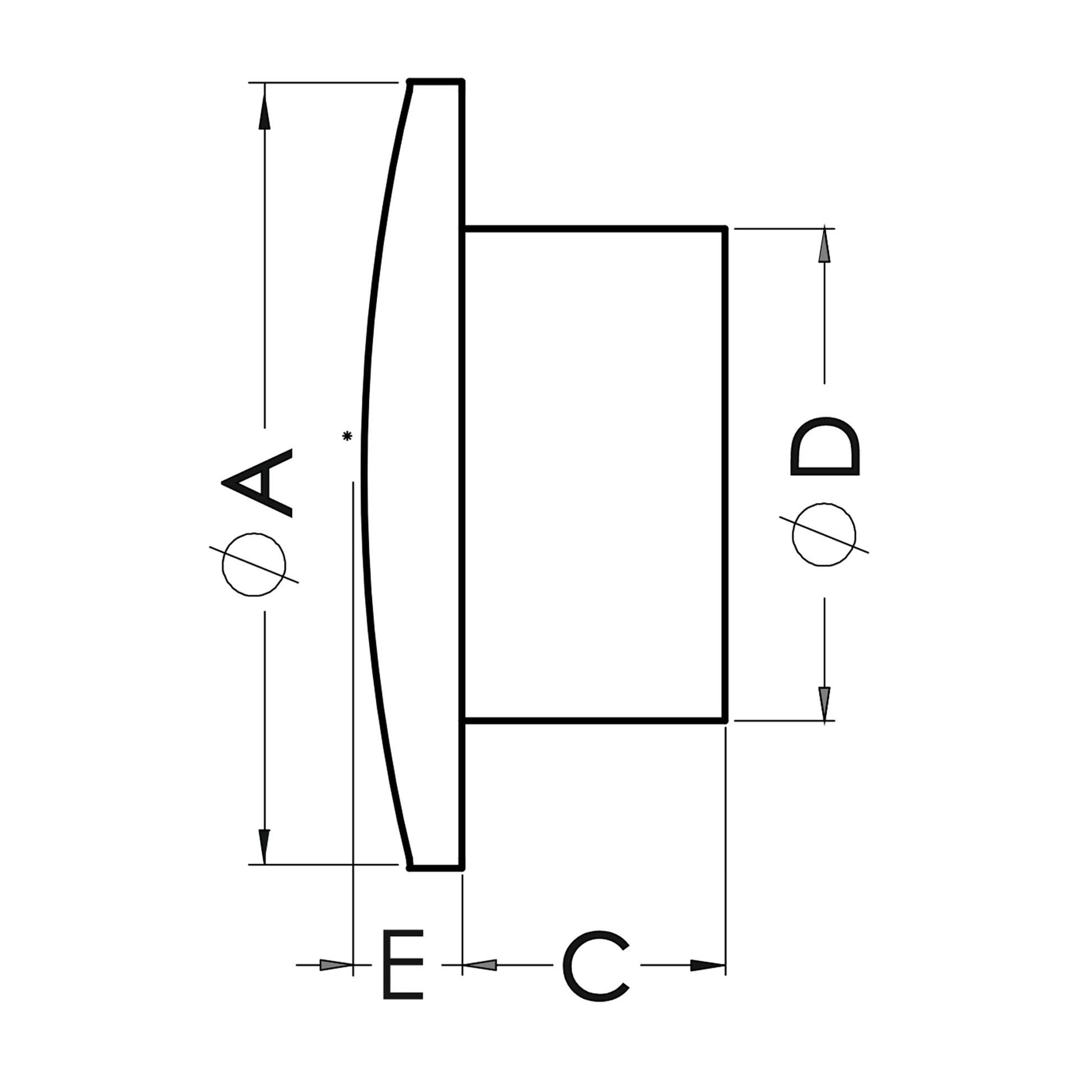
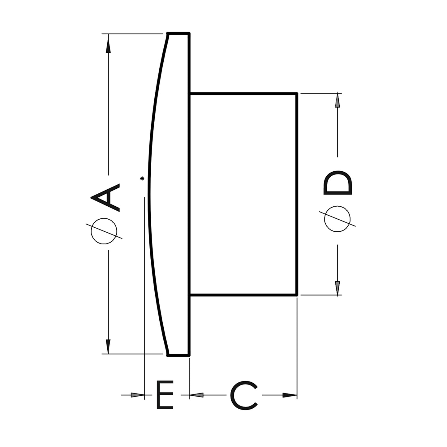
- A: 135 mm
- C: 65mm
- D: 99 mm
- E: 10 mm
- Mounting hole: Ø100 mm

Fans designed to assist ventilation in residential and commercial premises are characterised by quiet operation, high efficiency and reliability. They use high quality material, which ensures the durability of the device and also maintains aesthetic qualities.
The duct fan is an ideal solution for bathrooms and toilets. It is used to support gravitational ventilation and can be installed in rooms that have individual ventilation ducts, in residential buildings of collective residence and public use, with the exception of rooms where an atmosphere causing corrosion or explosion may occur.
Model T - fan with timer. Controlling the switching of the fan requires the controller to be connected to an electrical switch. An existing light switch in the ventilated room can be used for this purpose. The switch-off time is set by setting the control's potentiometer to the required position. The delay time can be set between 0.5 and 30 minutes.
Construction:
Fan made of high quality plastic.
Installation:
- Wall mounting
- For indoor use
- Fixing with screws
Accessories:
Timer board.
Share
