1
/
of
7
Elplast
Bathroom fan Comfort 100B ECO - Venthouse
Bathroom fan Comfort 100B ECO - Venthouse
Regular price
94,70 zł PLN
Regular price
Sale price
94,70 zł PLN
Unit price
/
per
Tax included.
Shipping calculated at checkout.
Couldn't load pickup availability
- Rated voltage: 230 V
- Colour: white
- Mains frequency: 50 Hz
- Power consumption: 8 W
- Air output: 85 m3/h
- Bearing type: ball bearing
- Degree of protection (IP): IP-X4
- Sound pressure level: 35 dB (A)
- Speed: 2150 rpm
- Nominal size: 100 mm
- Material: ABS/PP
-
Place of installation: Wall / ceiling
- Mounting type: surface mounted
- Fan weight: 0.38 kg
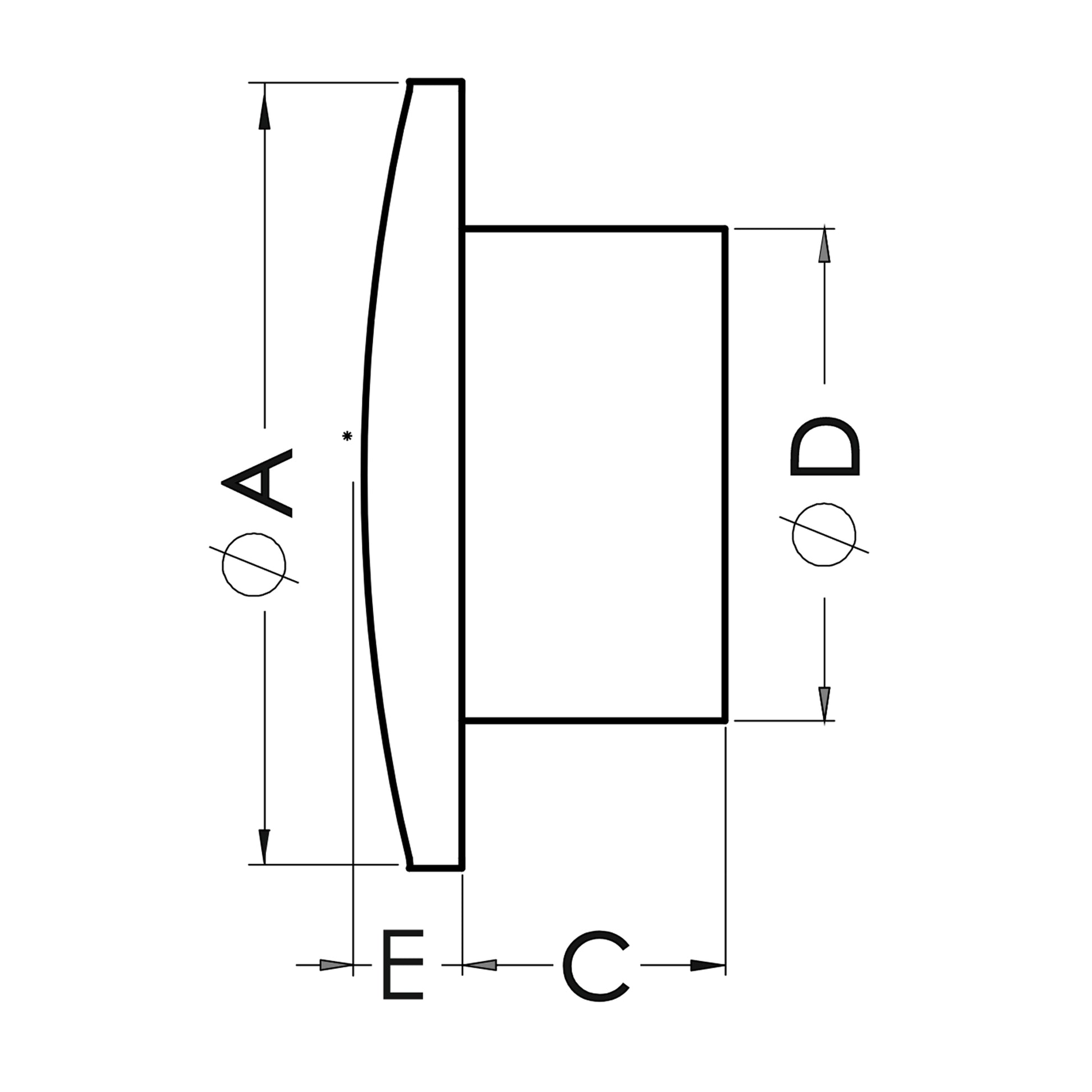
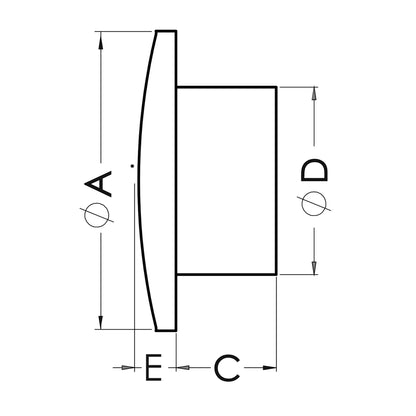
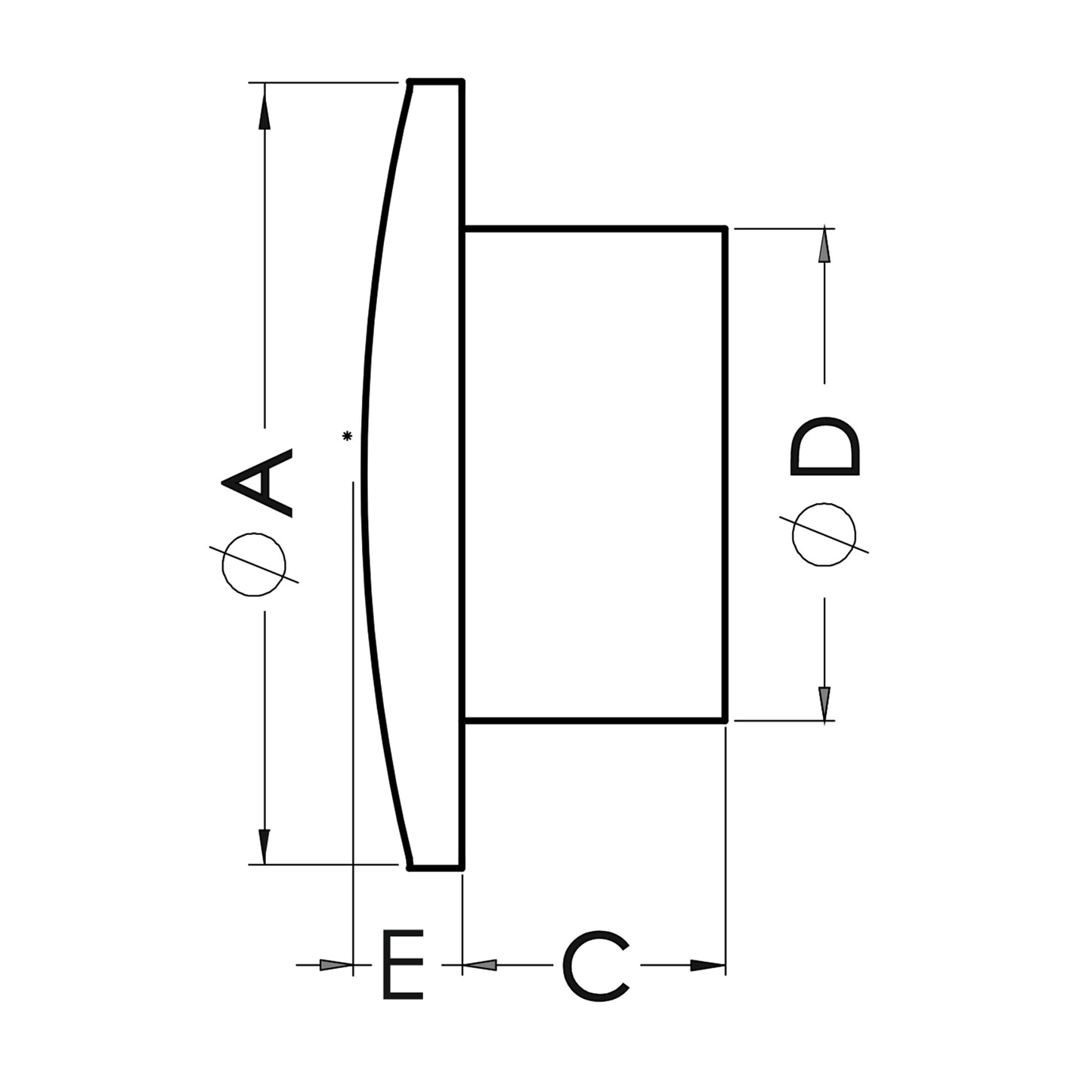
- A: 135 mm
- C: 65 mm
- D: 99 mm
- E: 10 mm
- Mounting hole: Ø100 mm

Fans designed to assist ventilation in residential and commercial premises are characterised by quiet operation, high efficiency and reliability. They use high quality material, which ensures the durability of the device and also maintains aesthetic qualities.
The duct fan is an ideal solution for bathrooms and toilets. It is used to support gravity ventilation and can be installed in rooms that have individual ventilation ducts, in residential buildings of collective residence and public use, with the exception of rooms where corrosive or explosive atmospheres may be present.
Construction:
Fan made of high quality plastic.
Installation:
- Wall or ceiling mounting
- For indoor use
- Mounting with screws
Share
